一.W型往復式真空泵的結構概要和工作原理.
W、WY型往復式活塞真空泵,是獲得粗真空的主要設備之一,它用于從密閉容器中或反應鍋中抽除空氣或其他氣體,它不適用于抽腐蝕性的氣體或者帶有硬顆粒灰粉的氣體。它的結構由兩個主要部分組成:機械傳動部分和氣體流通部分。
1.機械傳動部分:
機械傳動部分整個機構原件在一個封閉的機體內,真空泵曲軸被支承在機體兩旁的圓錐滾子軸承中。曲軸一端裝有一個大帶輪,以驅動傳動部分。連桿把曲軸的軸頸和十字頭連接起來。活塞桿的一端裝有一個大帶輪,以驅動傳動部分。另一端裝在活塞的錐孔并以螺母固定之。電動機和裝在軸上的小帶輪通過三角膠帶帶動曲軸旋轉,這樣通過連桿和十字頭的作用,使活塞在氣缸中作往復運動。上海萬精泵閥
連桿曲軸機構在機體內運動時,使油池中的潤滑油飛濺以潤滑軸承、曲軸頸、十字頭和滑倒等摩擦表面。為了便于檢查和維修傳動機構,機體兩側和后面裝有可拆卸的門蓋,在后面蓋上裝有油窗以指示機體內油池的油面高度。上海萬精泵閥
2.氣體流通部分:
氣室和汽缸鑄成整體,氣室上面裝有進氣閥為進氣口,氣室下面裝有排氣閥為排氣口,在閥的氣槽上有閥片和螺旋彈簧組成逆止閥,以控制進排氣和自動完成配氣作用。
氣缸內有一個活塞,活塞上裝有活塞環,保證被活塞間隔的氣缸兩端氣密。活塞在氣缸內作往復運動時,不斷的改變氣缸兩端是容積,一端面積擴大吸入氣體,另一端積縮小排出氣體。活塞和氣閥的聯合作用,周期的完成真空泵的吸氣和排氣作用。
流動在氣缸水套的冷卻水,把氣缸中因氣體被壓縮面產生的熱量和因金屬表面摩擦而產生的熱量帶去,使氣缸不至過熱。冷卻水從氣缸蓋下面進水流入,經過水套在氣缸頸上面出水口流出真空泵。
氣缸內壁與活塞環摩擦面,由裝在氣缸上的油杯注入潤滑油潤滑。
二、W型往復式真空泵的主要用途
W、WY型真空泵已被廣泛的應用于各工業部門中。例如化工或食品工業中的真空蒸餾,蒸發、結晶、干燥和過濾,真空冶金工業中的除氣、電氣工業上的侵滲等。
三、W型往復式真空泵的結構圖:
四、W型往復式真空泵的技術參數:
型號\參數\項目 |
W-50
(W3) |
W-70 |
W4-1 |
W100
(W4) |
W-150 |
W5-1 |
WY-50
(W3) |
WY-100
(W4) |
WY-200
(W5) |
抽氣速率L/S |
50 |
70 |
100 |
100 |
150 |
200 |
50 |
100 |
200 |
極限真空KPa(torr) |
1.3(10) |
2.6(20) |
2.6(20) |
1.3(10) |
2.6(20) |
2.6(20) |
1.3(10) |
1.3(10) |
1.3(10) |
轉速r/min |
300 |
364 |
530 |
200 |
300 |
530 |
300 |
200 |
200 |
配用電動機型號 |
Y132S-4 |
Y160M-6 |
Y160M-4 |
Y160L-6 |
Y180L-6 |
Y200L-6 |
Y132S-4 |
Y160L-6 |
Y200L3-6 |
功率(KW) |
5.5 |
7.5 |
11 |
11 |
15 |
22 |
5.5 |
11 |
22 |
進出口管直徑 |
50 |
80 |
80 |
80 |
125 |
125 |
50 |
80 |
125 |
進出口水管直徑 |
1/2 |
1/2 |
1/2 |
3/4 |
3/4 |
3/4 |
1/2 |
3/4 |
3/4 |
氣徑直徑×徑程mm |
250×150 |
250×150 |
250×150 |
350×200 |
350×200 |
350×200 |
250×150 |
350×200 |
455×250 |
外形尺寸
(mm) |
長 |
1411 |
1490 |
1490 |
1780 |
1927 |
1812 |
1411 |
1780 |
2335 |
寬 |
625 |
508 |
508 |
767 |
633 |
659 |
625 |
767 |
1010 |
高 |
640 |
542 |
542 |
891 |
772 |
542 |
640 |
891 |
1162 |
重量(Kg)
不含電機 |
400 |
440 |
440 |
760 |
800 |
760 |
420 |
790 |
1520 |
五、W型往復式真空泵的使用說明
1.安裝:
真空泵除帶輪需要重新裝上外,是整體發送,因此在啟動前可以不必在拆裝,但在安裝中不準灰砂等雜物進入泵內,進排氣口的盲蓋只許在接管時拆去。
(1) 甩水平儀把泵進行水平。
(2) 隨機供應的底基螺栓按上后旋緊,但必須注意在緊螺母腮紅不得使機身因過分旋緊螺母而被扭曲或變形,曲軸可以和未緊螺母前一樣在軸承中轉動。
(3) 進氣管路須裝三通閥,使泵在需要時和大氣直接相同通或被抽容器相同。上海萬精泵閥
(4) 在接管前管路必須用錘敲擊或注入酸液仔細地清除鐵銹、金屬小屑片、電焊小珠和其他雜質。
(5) 在開始使用時進氣管路中要裝置細網過濾氣,其孔眼大小大于0.5毫米,以防止雜物進如泵內。
(6) 泵在下列條件使用時,必須加裝附屬設備:
1. 被抽除空氣或氣體中時,必須加裝附屬設備:
2. 被抽氣體中含有大量的蒸汽時,必須在進氣管前加裝冷凝器。
3. 抽除帶有腐蝕性氣體時,在進入泵前,必須經過中和。
4. 被抽除氣體或空氣中含有大量液體時,必須在泵的進氣管前裝置分離器,絕對不許液體進入氣缸,否則由于液體的不可壓縮性,可能導致嚴重的損壞。
5. 被抽除的氣體或空氣中含有大量的液體時,必須在泵的進氣管裝置分離器,絕對不許液體進入氣缸,否則由于液體的不可壓縮性,可能導致嚴重的損壞。
6. 泵的啟動電流往往通過電機額定電流的幾倍,必須配用啟動開關。
2.開車前的準備工作:
1.檢查氣管路上的法蘭、街頭和閥門,并確定他們沒有漏氣。
2.清潔真空泵,在機體內不許有雜質或其他任何贓物。
3.在機體內加入清潔的潤滑油,直到油窗上指使的刻度。
用于機內的潤滑油為:
冬天用40#機械油。
夏天用50#機械油。
4.油杯內加入清潔潤滑油并微微開啟它們的針閥,使潤滑油一滴一滴的注入氣缸中。用于油杯的潤滑油為:
冬天用的13#低壓壓縮機油。上海萬精泵閥
夏天用的19#高壓壓縮機油。
5.開啟冷卻水閥門。
6.開啟三通閥門并使泵和大氣暢通。
7.旋下氣缸下部的放油絲堵
8.用人力轉動泵三角輪幾轉,如無故障放可啟動。
3.運轉
1.推動電機開關、啟動真空泵,泵的轉動方向,從帶輪一面看是順時針方向。
2.擰上放油絲堵,轉動三通閥門,使泵的吸入口通向被抽容器。
3.運轉時電流表上的讀數應呈穩定現象。如果發現電流上升,必須立即停車找出原因進行修理或調整。
4.運轉中應無沖擊聲,否則立即停車,找出原因,進行修理或調整。
5.各運動部位必須潤滑正常,針閥油杯中的油必須保持油杯高度是2/3.
如果吸入的氣體潤滑油有分解或對金屬有腐蝕作用,則潤滑油必須增加。上海萬精泵閥
如果增加潤滑油還不能有效地避免氣體的分解作用,則與潤滑油供應單位聯系采用適宜的工作條件的潤滑油。
6.下列零件的最高允許溫升為:
1.氣 室 90℃
2.軸 承 40℃
7. 冷卻水進出口溫差為5℃,它的最高出水溫度不超過40℃。
4.停車:
1.關閉進氣閥門停車。
2.關閉油杯的針形閥,旋下放油絲堵,真空泵并在停車10分鐘后關閉冷卻水進口閥。
3.在嚴寒季節水套內的冷卻水必須放進。以免在靜止時結冰,凍裂氣缸。
5.日常維護保養:
(1)每日檢查機體內和油杯內的油面,如需加油即行補足。用過的油在經過仔細過濾后,以1:1比例和新油混合后在可使用,但不允許在加到油杯中去。
(2)經常檢查進水閥和進氣閥,如發現泄漏即行修理。
(3)經常檢查三角膠帶的松緊,如果有過緊過松即行調整。
(4)經常對軸承、十字頭等部位進行檢查,如有過熱現象進行檢修。
(5)經常檢查活塞桿填料、如遇太松或損壞,則應換新填料。
(6)在運轉100~1500小時以后更換機體中的潤滑油,但它使用第一次使用經100~120小時運轉后,機體中的潤滑油即須更新。
(7)在運轉1000~1500小時運轉以后,須檢查真空泵的各摩擦部位,如氣缸內壁對活塞或活塞環,十字頭對滑倒,軸承等,如果發現有磨損不平應即予修整。
(8)在經過1000~1500小時運轉以后,檢查并清潔氣缸和氣閥的氣槽通路。如果抽是氣體和潤滑油化合而成的黏糊狀物質,或者其他贓物阻塞通道,這些通道必須安條件需要,在短期內進行檢查和清潔。
(9)真空泵在經過約2500小時運轉以后應進行大修,所有零部件必須進行拆洗并從新裝配在修理后活塞的位置必須進行調整,活塞在上下死點時,應對氣缸蓋和氣缸頸端面個保持約1.5毫米的間隙。
(10)經常檢查活塞、連桿、曲軸、十字頭螺母是否松動。
注:1.本真空泵產品隨技術改進等原因,不經預告可變更。上海萬精泵閥
2.本長產品在保修期內,不經廠家允許,不得隨意拆卸。
六、W型往復式真空泵的曲線圖:
 |
七、W型往復式真空泵的尺寸圖:
W3往復式真空泵安裝尺寸圖: |
 |
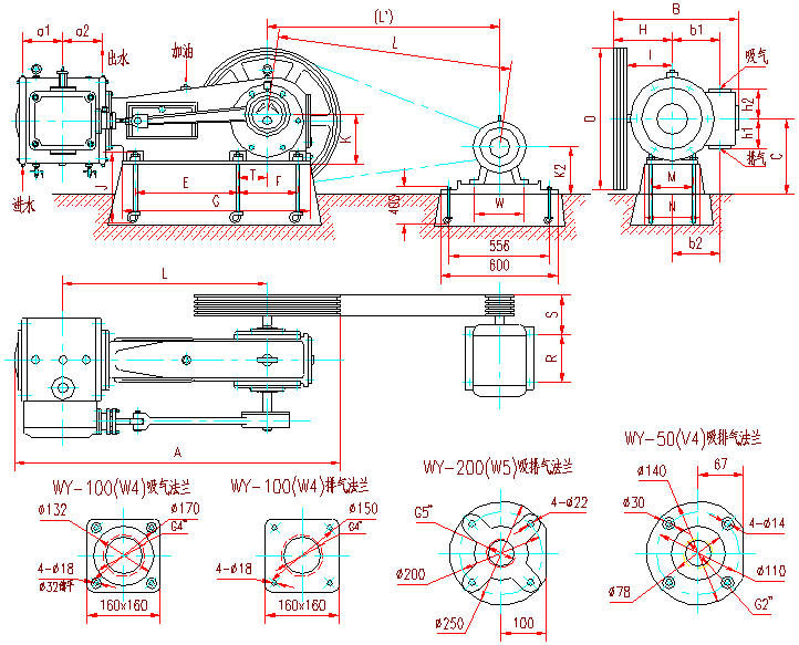
WY-50(V5)、WY-100(W4)、WY-200(W5)往復式真空泵安裝尺寸圖: |
 |
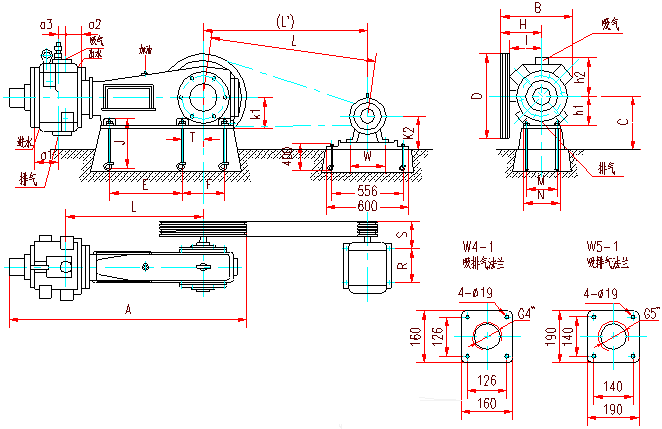
W4-1、W5-1往復式真空泵安裝尺寸圖: |
 |
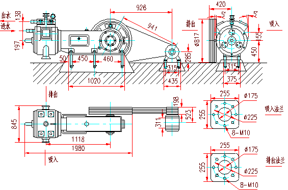
W300往復式真空泵安裝尺寸圖 |
 |
真空泵其它產品:2X系列旋片式真空泵,X系列旋片式真空泵,2XZ系列旋片式真空泵,2XZ系列旋片式真空泵,WX無油旋片式真空泵,XD系列旋片式真空泵,2BV系列水環式真空泵,SK系列水環式真空泵,2SK系列水環式真空泵,SZ系列水環式真空泵,SK系列懸臂式真空泵,2BE系列水環式真空泵,SZB系列水環式真空泵,ZJ型羅茨泵系列,ZJP型羅茨泵系列,羅茨-旋片真空機組,羅茨-水環真空機組,擴散泵機組,無油干泵機組,水噴射泵機組,W型往復式真空泵,WLW型往復式真空泵,2H系列滑閥式真空泵,H系列干泵,K型油擴散泵系列
W型往復式真空泵的訂貨須知:
一、請提供以下詳細數據:①W型往復式真空泵的產品名稱與型號②W型往復式真空泵的真空度要求單位PA或MPA③W型往復式真空泵抽速要求單位L/S或M3/MIN④W型往復式真空泵的使用條件和功況條件⑤W型往復式真空泵的電機功率(KW)⑥W型往復式真空泵的轉速(r/min)⑦W型往復式真空泵的電壓〔V〕⑧W型往復式真空泵的進出口口徑⑨W型往復式真空泵是否帶附件,以便我們的為您正確選型。
二、若已經由設計單位選定我公司的W型往復式真空泵的產品型號,請按W型往復式真空泵型號直接向公司銷售部訂購。
三、當使用的場合非常重要或環境比較復雜時,請您盡量提供設計圖紙和詳細參數,由我們的技術專家為您選型確認。
四、我公司服務電話:400-6064-114
感謝您訪問我公司的網站,如有任何疑問.您可以致電給我們,我們一定會盡心盡力為您提供優質的服務。
產品相關關鍵字:W型往復式真空泵,W型真空泵,W型往復泵 |